Le Forum
Retour

Battaglia
(nb réponse 2)
 - 90.jpg)
jp-51
Membre du club

Battaglia

Merci JP, mais pourtant :
Message de "Battaglia"
le 24/05/2020 15:16:54

Battaglia
(nb réponse 2)
Bonjour,
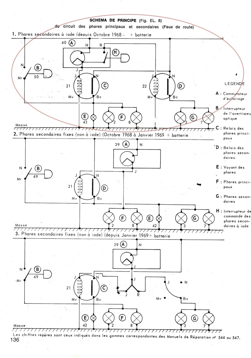
Les phares pivotants de ma DS 21 IE Pallas 1971 ne s'allumes pas, on me parle d'un relai ?, ou se trouve t-il ?
Merci d'avance
Réponses:
 - 90.jpg)
jp-51

Il y a un relais inverseur derrière le combiné à 3 cadran (70>75) pour les pleins phares/code. Mais pas de relais pour les phare additionnels.
Sinon l'allumage des phares additionnels se fait en enfoncant le levier d'éclairage vers le centre du volant (beaucoup oublis cette fonction !).
JP la bricole
Le 01/06/2020 12:11:46

Battaglia

Merci JP, mais pourtant :
Le 06/07/2020 17:53:55